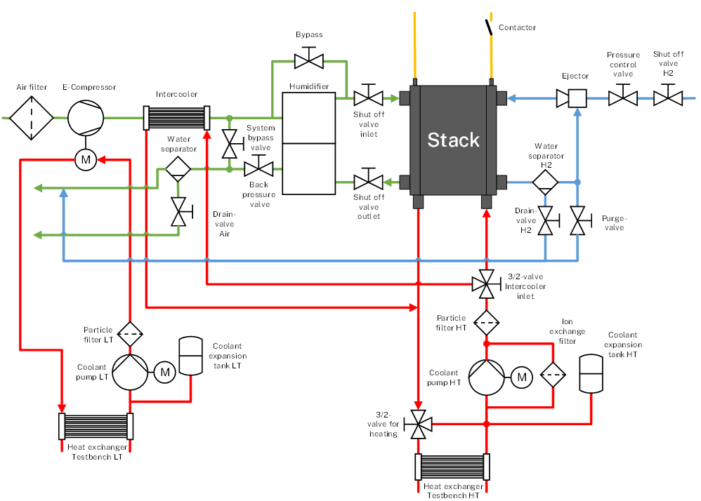
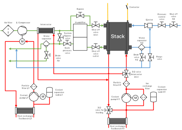
Fuel Cell Reference System with Generic Stack
Die Forschungsgruppe entwickelt ein 100 kW Brennstoffzellensystem. Das System wird später als Referenz für die deutsche Automobilindustrie dienen. Auf Basis der Charakterisierung des Brennstoffzellenstapels erfolgt die Erstellung eines digitalen Zwillings. Dieser ist die Grundlage für die Auslegung des Systems, der Betriebsparameter und der Regelung. Durch den Aufbau und die Erprobung des Brennstoffzellensystems wird ein zuverlässiger und sicherer Betrieb gewährleistet.
01.2025 – 12.2026
Technische Universität Chemnitz
Forschungsvereinigung Verbrennungskraftmaschinen e.V. (FVV)

